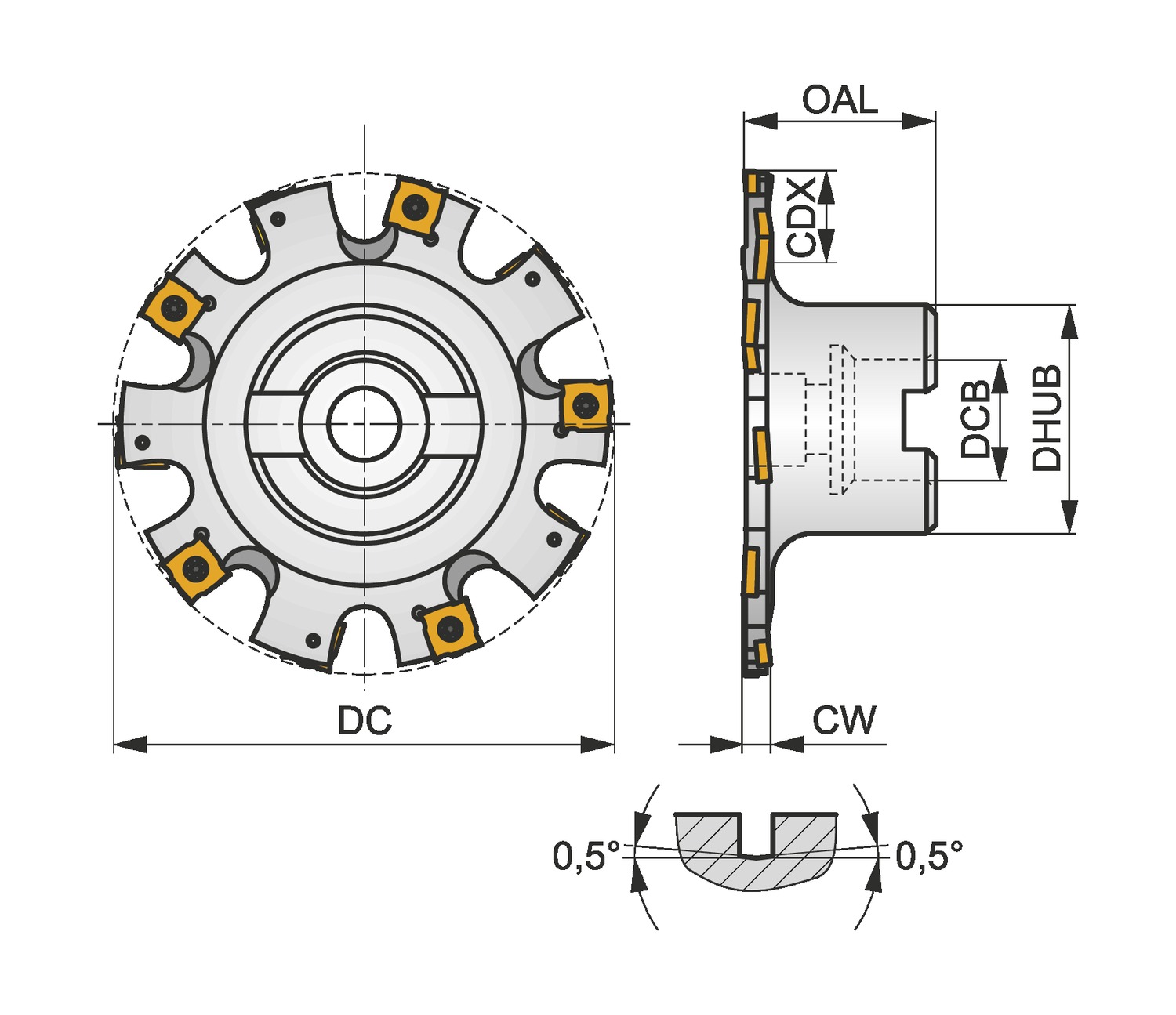
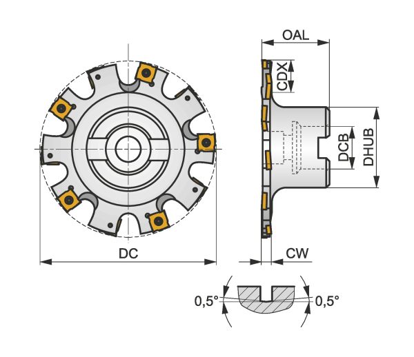
Description
Disc mill with positve/negative geometry which utilises 10 of SNHQ 1203.. double-sided inserts, cutting diameter 100mm with 90° approach angle and 27mm connection bore according to DIN 8030-A, 50mm protrusion length for deep slot milling with a width of cut of 6mm



