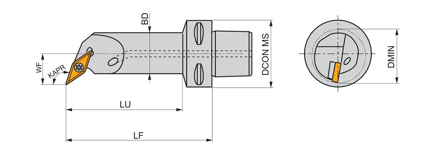
Description
Screw clamp boring bar for holding a 35° rhombus positive insert with an inscribed circle diameter of 9.525mm, 4.76mm thick (ISO designation VB.. 1604.. or VC.. 1604.. ), right hand 107°30′ end cutting with off-set shank according to ISO 26623 (Polygon Shank Coupling) size C5, with 18mm funtional width and 90mm protruding length for single and multi-directional copy boring



